Термоизолирующая прокладка КНС(60).

Код товара: ТИ20690
Гарантия 1 год при предъявлении чека

Под заказ

Для уточнения условий и сроков позвоните по номеру
27,17 ₽
  • Технические характеристики

    • Материал прокладки:
      вспененый ПЭ
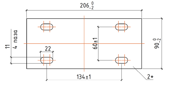
    • Толщина, мм:
      2
    • Ширина, мм:
      90
    • Длинна,мм:
      206
  • Описание

    Применяется совместно с кронштейном, служит терморазнывом между основанием и кронштейном

Продолжая пользоваться сайтом, Вы выражаете свое согласие на обработку персональных данных с использованием метрической программы Liveinternet. Это позволяет нам анализировать взаимодействие посетителей с сайтом и делать его лучше.